|
TNNF-6(Download )
|

|
Property
|
Unit
|
Product Code
|
Method of Measurement
|
|
TNNF-6
|
|||
|
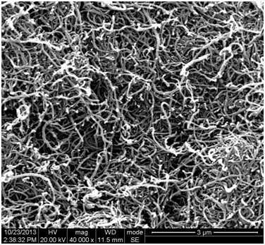
OD
|
nm
|
10-20
|
HRTEM,Raman
|
|
Purity
|
wt%
|
>95
|
TGA & TEM
|
|
Length
|
microns
|
5-20
|
TEM
|
|
SSA
|
m2/g
|
>120
|
BET
|
|
OD=Outer Diameter, ID=Inner Diameter, SSA=Special Surface Area
|
|||